For the 115 Series Spider, often called the "Series 4 Spiders," and the last of the 105/115 Series Spiders produced in the early 1990's. Includes the USA spec Spiders produced from 1991-1994 & the European spec Spiders produced from 1990-1993.
The Alfa Romeo Spider & Spider Veloce Complete Digital Manual includes the following:
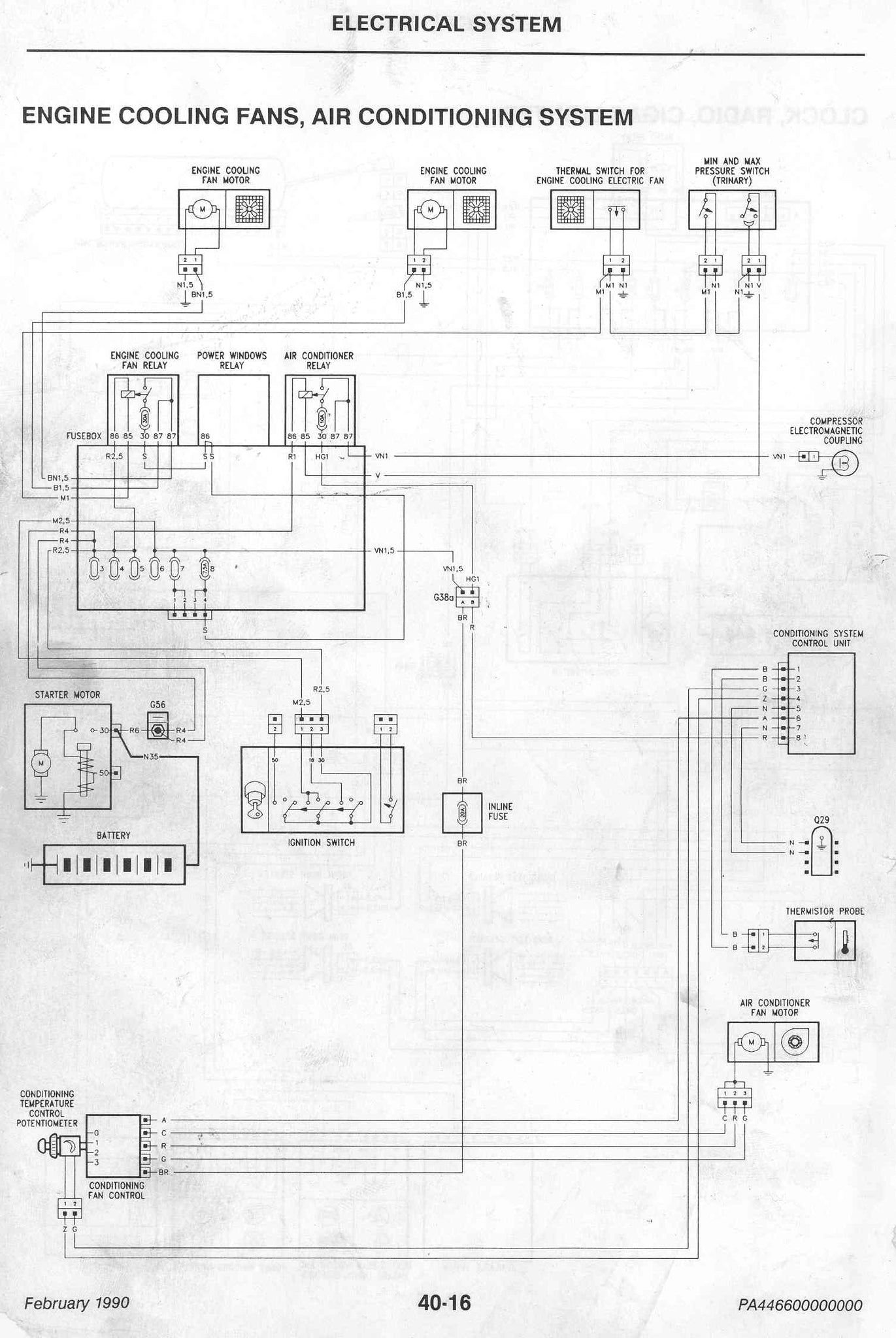
- Alfa Romeo Factory Shop manual covering all the "Series 4" Spider & Spider Veloce. This manual contains 23 chapters covering absolutely every component on the Spiders.
- Alfa Romeo Engine Overhaul Manual that contains detailed instructions, diagrams and specifications for the complete overhaul of the 2.0L 4 cylinder Spider Engine.
- Alfa Romeo Convertible Top manual that illustrates proper removal, installation and adjustments on the soft top.
- Numerous Spider Sales Brochures
- Spider Owner's Manual
- Wiring Diagram blow ups
- Two large volumes of Technical Service bulletins
- A short Alfa Romeo Heritage video
- Photo gallery showing Alfa Models from 1910 to 2000
The complete digital manuals are property of Fiat Auto S.p.A. and may only be printed or reproduced for personal use by the owner of the CarDisc manual. These digital manuals are copyrighted by CarDisc International and may not be reproduced or copied in part or in whole, without the expressed written permission of CarDisc International Ltd.









