For the Giulietta models in both the 750 and 101 series: Spider, Spider Veloce, Sprint, Sprint Veloce, Sprint Speciale (SS), Berlina, SZ and T.I.
The Alfa Romeo Giulietta Complete Digital Manual includes the following:
- Shop manual covering both 750 & 101 series cars
- Two volume set of Parts manuals that illustrate every part on all the models listed above - every nut, bolt and washer is listed! A “must have” if you are restoring any Giulietta.
- Owner’s manual covering all 750 Series Giulietta
- Owner’s manual covering all 101 Series Giulietta
- Owner’s manual supplement for 101 Series Giulietta
- Two booklets titled “Enjoying your Alfa” & “Alfa Romeo History Highlights”
- Numerous Sales Brochures, pamphlets & flyers
- Factory publicity photos
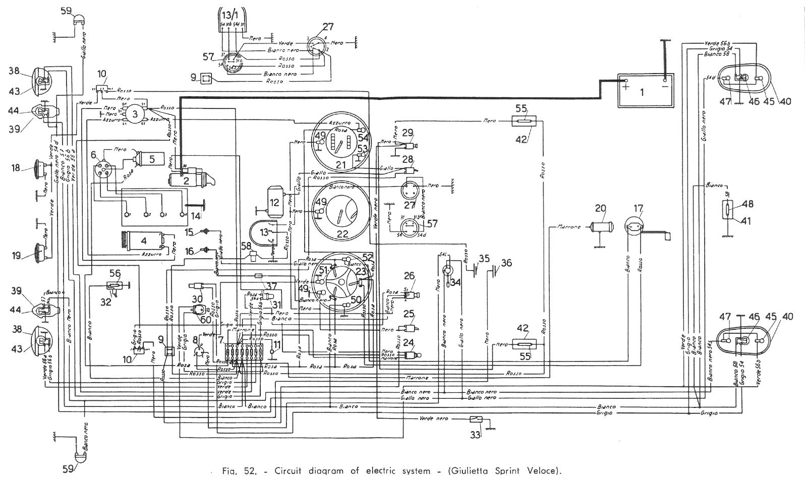
- Wiring Diagrams for all models in both the 750 & 101 series.
- A short Alfa Romeo Heritage video
- Photo gallery showing Alfa Models from 1910 to 2004
- 25 years worth of Alfa Romeo Sales Brochures from 1949 to 1974, showing over 700 images.
- Special Tool Catalog
- Factory Performance Options Catalog
- Technical Specifications & Characteristics Manual
- A complete year-by-year listing of all chassis & engine numbers for all models. Find out the “true” year of your Alfa, how many were made for each year and if your Giulietta is rare!
The complete digital manuals are property of Fiat Auto S.p.A. and may only be printed or reproduced for personal use by the owner of the CarDisc manual. These digital manuals are copyrighted by CarDisc International and may not be reproduced or copied in part or in whole, without the expressed written permission of CarDisc International Ltd.









